Suzuki
Browse New Models
Shop In-Stock
Yamaha
Browse New Models
Shop In-Stock
CFMOTO
Browse New Models
Shop In-Stock
SSR Motorsports
Browse New Models
Shop In-Stock
Wolf Brand Scooters
Browse New Models
Shop In-Stock
Hammerhead Off-Road
Browse New Models
Shop In-Stock
3211 Camden Road
,
Pine Bluff, AR 71603
Phone:
833-617-7001
Please Follow Us:
Toggle navigation
Pine Bluff, AR
Home
Brands
Showroom
Manufacturer Models
Suzuki
Yamaha
CF Moto
Toro
Hammerhead
Tohatsu Outboards
SSR Motorsports
Benelli
Wolf Brand Scooters
OEM Promotions
Inventory
All Inventory In Stock
New Inventory In Stock
Used Inventory
Value Your Trade-In
Request a Model
Secure Financing
Parts
Parts Department
Parts Look-Up
Request Parts
Service
Service Department
Warranty & Recall Look-Up
Financing
About
Our Dealership
Our History
Reviews
Customer Survey
Newsletter Sign-Up
Happy Customers
Location & Hours
Contact
Before you go...
Contact Us
Country (optional)
Please Select
American Samoa
Anguilla
Antigua And Barbuda
Argentina
Aruba
Australia
Austria
Bahamas
Barbados
Belgium
Belize
Bermuda
Bolivia
Bonaire, Sint Eustatius and Saba
Bouvet Island
Brazil
British Indian Ocean Territory
Bulgaria
Canada
Cape Verde
Cayman Islands
Chile
Christmas Island
Cocos (Keeling) Islands
Colombia
Cook Islands
Costa Rica
Cuba
Curacao
Cyprus
Dominica
Dominican Republic
Ecuador
El Salvador
Faeroe Islands
Falkland Islands (Malvinas)
Fiji
France
French Guiana
French Polynesia
Germany
Gibraltar
Greece
Grenada
Guadeloupe
Guam
Guatemala
Guernsey
Haiti
Heard Island And Mcdonald Islands
Honduras
Iceland
India
Ireland
Isle Of Man
Italy
Jamaica
Jersey
Madagascar
Malaysia
Maldives
Malta
Marshall Islands
Martinique
Mexico
Monaco
Montenegro
Montserrat
Morocco
Mozambique
Netherlands
New Zealand
Nicaragua
Nigeria
Norfolk Island
Northern Mariana Islands
Norway
Palau
Panama
Papua New Guinea
Paraguay
Peru
Philippines
Portugal
Puerto Rico
Réunion
Russian Federation
Saint Barthelemy
Saint Helena
Saint Kitts And Nevis
Saint Lucia
Saint Martin (French part)
Saint Pierre And Miquelon
Saint Vincent And The Grenadines
Samoa
San Marino
Sao Tome And Principe
Saudi Arabia
Seychelles
Singapore
Sint Maarten (Dutch part)
Solomon Islands
South Georgia And The South Sandwich Islands
South Sudan
Spain
Sweden
Switzerland
Thailand
Togo
Trinidad And Tobago
Turkey
Turks And Caicos Islands
United Kingdom
United States
United States Minor Outlying Islands
Uruguay
Venezuela
Virgin Islands, British
Virgin Islands, U.S.
Subscribe to Newsletter
Captcha is required.
By pressing SUBMIT, you agree that DX1, LLC and Cycle and Marine Supercenter may call/text you at the number provided, for either informational or marketing purposes, using an automatic telephone dialing system or pre-recorded/artificial voices. Msg/data rates may apply. You don’t need to consent as a condition of any purchase & you may revoke your consent at any time. You also agree to our
Privacy Statement
&
Terms of Use
.
Fiche | Parts Diagrams
Home
›
Parts
›
Parts Look-Up
Search by :
Part / Desc
VIN
Please Select
CFMOTO
Suzuki
Yamaha
*Please enter at least 3 characters
SEARCH
Manufacturer
Suzuki
Motorcycles
2020
GSX,S1000A,ZA
VIEW WISH LIST
Select a Section
Show/Hide
2ND AIR
AIR CLEANER
BATTERY
CAM CHAIN
CAMSHAFT/VALVE
CLUTCH
CRANK BALANCER
CRANKCASE
CRANKCASE COVER
CRANKSHAFT
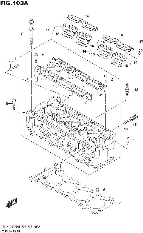
CYLINDER HEAD
CYLINDER HEAD COVER
ELECTRICAL (E33)
EVAP SYSTEM (E33)
FOOTREST
FRAME
FRAME BODY COVER (GSX-S1000A)
FRAME BODY COVER (GSX-S1000ZA)
FRAME COVER (GSX-S1000A)
FRAME COVER (GSX-S1000ZA)
FRONT BRAKE HOSE
FRONT CALIPER
FRONT FENDER (GSX-S1000A)
FRONT FENDER (GSX-S1000ZA)
FRONT FORK DAMPER
FRONT MASTER CYLINDER
FRONT WHEEL (GSX-S1000A)
FRONT WHEEL (GSX-S1000ZA)
FUEL PUMP
FUEL TANK (GSX-S1000A)
FUEL TANK (GSX-S1000ZA)
FUEL TANK (GSX-S1000ZA)(2)
FUEL TANK FRONT COVER
GASKET SET
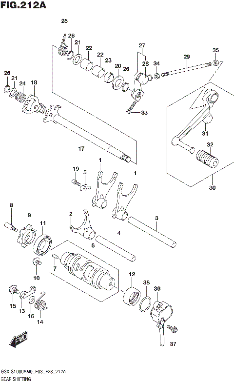
GEAR SHIFTING
GENERATOR
HANDLE LEVER
HANDLE SWITCH (E28)
HANDLEBAR
HEADLAMP
HEADLAMP HOUSING (GSX-S1000A)
HEADLAMP HOUSING (GSX-S1000ZA)
HOLDER
HYDRAULIC UNIT
LABEL (E03)
LABEL (E28)
LABEL (E33)
LOCK SET
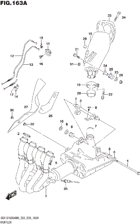
MUFFLER
OIL COOLER
OIL PAN/OIL PUMP
OPTIONAL
RADIATOR
RADIATOR HOSE
REAR CALIPER
REAR COMBINATION LAMP
REAR CUSHION LEVER
REAR FENDER
REAR MASTER CYLINDER
REAR SWINGINGARM
REAR WHEEL (GSX-S1000A)
REAR WHEEL (GSX-S1000ZA)
SEAT
SIGNAL GENERATOR
SPEEDOMETER (E28)
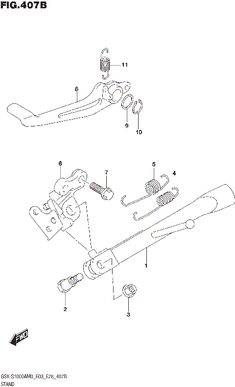
STAND
STARTER CLUTCH
STARTING MOTOR
STEERING STEM
THROTTLE BODY (E33)
THROTTLE BODY HOSE/JOINT (E33)
TRANSMISSION
TURNSIGNAL LAMP
UNDER COWLING (GSX-S1000A)
UNDER COWLING (GSX-S1000ZA)
WATER PUMP
WIRING HARNESS (E03)
WIRING HARNESS (E28)
WIRING HARNESS (E33)
2ND AIR
AIR CLEANER
BATTERY
CAM CHAIN
CAMSHAFT/VALVE
CLUTCH
CRANK BALANCER
CRANKCASE
CRANKCASE COVER
CRANKSHAFT
CYLINDER HEAD
CYLINDER HEAD COVER
ELECTRICAL (E33)
EVAP SYSTEM (E33)
FOOTREST
FRAME
FRAME BODY COVER (GSX-S1000A)
FRAME BODY COVER (GSX-S1000ZA)
FRAME COVER (GSX-S1000A)
FRAME COVER (GSX-S1000ZA)
FRONT BRAKE HOSE
FRONT CALIPER
FRONT FENDER (GSX-S1000A)
FRONT FENDER (GSX-S1000ZA)
FRONT FORK DAMPER
FRONT MASTER CYLINDER
FRONT WHEEL (GSX-S1000A)
FRONT WHEEL (GSX-S1000ZA)
FUEL PUMP
FUEL TANK (GSX-S1000A)
FUEL TANK (GSX-S1000ZA)
FUEL TANK (GSX-S1000ZA)(2)
FUEL TANK FRONT COVER
GASKET SET
GEAR SHIFTING
GENERATOR
HANDLE LEVER
HANDLE SWITCH (E28)
HANDLEBAR
HEADLAMP
HEADLAMP HOUSING (GSX-S1000A)
HEADLAMP HOUSING (GSX-S1000ZA)
HOLDER
HYDRAULIC UNIT
LABEL (E03)
LABEL (E28)
LABEL (E33)
LOCK SET
MUFFLER
OIL COOLER
OIL PAN/OIL PUMP
OPTIONAL
RADIATOR
RADIATOR HOSE
REAR CALIPER
REAR COMBINATION LAMP
REAR CUSHION LEVER
REAR FENDER
REAR MASTER CYLINDER
REAR SWINGINGARM
REAR WHEEL (GSX-S1000A)
REAR WHEEL (GSX-S1000ZA)
SEAT
SIGNAL GENERATOR
SPEEDOMETER (E28)
STAND
STARTER CLUTCH
STARTING MOTOR
STEERING STEM
THROTTLE BODY (E33)
THROTTLE BODY HOSE/JOINT (E33)
TRANSMISSION
TURNSIGNAL LAMP
UNDER COWLING (GSX-S1000A)
UNDER COWLING (GSX-S1000ZA)
WATER PUMP
WIRING HARNESS (E03)
WIRING HARNESS (E28)
WIRING HARNESS (E33)
VIEW WISH LIST